SD-1よ、やっぱりお前もか。(チップ基板化)
2018年製のBOSS SD-1。
DS-1、BD-2に続き・・・・こんな事に。
中身スカスカ。
部品小さ!・ ICも4580に変更。
behringer等よりさらに小さい部品を使っているようで・・・改造・MODは・・困難!
回路図を拾うのは・・・・無理!
ツマミの軸もローレットでは無く半月型に。
外見での見分け方。
アダプタージャックの方向が違います。
左がスカスカ・・右が従来品。
さて、肝心の音ですが、人によって好みもあるのでどちらが良いかは・・・ですが。
2台の従来品と比べた私見です・・・
大きな違いではありませんが、全体的にスッキリしてます。
ICが4580になった事もあるのでしょうが、オーディオ的には高域の伸びとクリア感が有ります。
が、中低域の奥行きとパワー感はずいぶん少なくなっています。
選ぶなら、迷わず従来品ですね。
ご参考に・・・では、また。
2018年9月27日木曜日
2018年8月11日土曜日
エフェクターの修理(ダイオード短絡)
エフェクターの修理(ダイオード短絡)
エフェクターの修理でたまにあるケースなので、紹介しておきます。
症状としては、電源が点かない、全く反応無し、音も出ない、等で
スルーバイパスの場合は、バイパス音のみ出る状態です。
つまり、回路的には全く働いていない状態。
アダプターや電池を繋がずに入力ジャックにプラグを刺して、普通なら電源が入る状態にします。
ここで、電池スナップの両端子間をテスターの抵抗レンジで計ります。
で、抵抗値がゼロならこのケースの可能性が高い。
つまり電源ラインのプラスとマイナスが短絡ショートしてしまってる状態です。
当然回路には電圧供給されませんので、全く動作せずとなります。
もし電池を繋いでいたら、電池が異常に発熱します。
アダプターなら、異常発熱〜壊れる事になると思います。
で、私が数回遭遇したケースでは、みんな電源部の逆極性保護用ダイオードが短絡ショートしてました。
この例に挙げた回路図のD1にあたる物です。
このダイオードは、極性が反対のアダプターをつないでしまった時に回路を保護する役目の物です。
逆極性を繋いでしまった時、このダイオードにはかなり大きな電流が流れてしまいます。
つまり、このダイオードで逆電圧をブロックして後の回路を守るのです。
短時間でアダプターを外したら大丈夫な場合もあるでしょうが、過負荷電流でダイオード自身が発熱し壊れてしまってショートするのだと考えられます。
で、修理としてはこのたぐいのダイオードを見つけて取り外すと元通り普通に使える様になります。
もちろん、同等なダイオードに交換するべきです。
そうしないと、今度逆極性のアダプターを繋いでしまったら、回路の殆どが壊れますので・・・
ご参考に・・・では、また。
エフェクターの修理でたまにあるケースなので、紹介しておきます。
症状としては、電源が点かない、全く反応無し、音も出ない、等で
スルーバイパスの場合は、バイパス音のみ出る状態です。
つまり、回路的には全く働いていない状態。
アダプターや電池を繋がずに入力ジャックにプラグを刺して、普通なら電源が入る状態にします。
ここで、電池スナップの両端子間をテスターの抵抗レンジで計ります。
で、抵抗値がゼロならこのケースの可能性が高い。
つまり電源ラインのプラスとマイナスが短絡ショートしてしまってる状態です。
当然回路には電圧供給されませんので、全く動作せずとなります。
もし電池を繋いでいたら、電池が異常に発熱します。
アダプターなら、異常発熱〜壊れる事になると思います。
で、私が数回遭遇したケースでは、みんな電源部の逆極性保護用ダイオードが短絡ショートしてました。
この例に挙げた回路図のD1にあたる物です。
このダイオードは、極性が反対のアダプターをつないでしまった時に回路を保護する役目の物です。
逆極性を繋いでしまった時、このダイオードにはかなり大きな電流が流れてしまいます。
つまり、このダイオードで逆電圧をブロックして後の回路を守るのです。
短時間でアダプターを外したら大丈夫な場合もあるでしょうが、過負荷電流でダイオード自身が発熱し壊れてしまってショートするのだと考えられます。
で、修理としてはこのたぐいのダイオードを見つけて取り外すと元通り普通に使える様になります。
もちろん、同等なダイオードに交換するべきです。
そうしないと、今度逆極性のアダプターを繋いでしまったら、回路の殆どが壊れますので・・・
ご参考に・・・では、また。
2018年7月5日木曜日
ZOOM G3 液晶割れの修理
ZOOM G3 液晶割れの修理
液晶画面が割れているG3がやって来ました。
これ↓
その他の機能は正常なので単に液晶画面だけの問題のようです。
で、実は手元にメイン基板が壊れたB3が有りまして・・・・これから液晶画面だけを取ってこようと・・・。
G3とB3は外装とメイン基板以外は共通部品です。
分解・・・
割れた液晶。
B3から取った液晶。
組み込んで出来上がり。
部品さえ手に入ればわりと簡単な修理です。
ご参考に・・・では、また。
液晶画面が割れているG3がやって来ました。
これ↓
その他の機能は正常なので単に液晶画面だけの問題のようです。
で、実は手元にメイン基板が壊れたB3が有りまして・・・・これから液晶画面だけを取ってこようと・・・。
G3とB3は外装とメイン基板以外は共通部品です。
分解・・・
コネクタを外す。フラットケーブルは、横のグレーの部分をスライドさせると抜けます。
メイン基板とその下のスイッチ基板を外します。
液晶画面のケース。
割れた液晶。
B3から取った液晶。
組み込んで出来上がり。
部品さえ手に入ればわりと簡単な修理です。
ご参考に・・・では、また。
2018年6月7日木曜日
アルミ電解コンデンサの話し(寿命)
アルミ電解コンデンサの話し(寿命)
アルミ電解コンデンサって電子部品の中では劣化(寿命)が早い物です。
当然メーカーやグレードの違いによって変わってきますが、全般的に言える事が有ります。
実は使用温度が10℃下がると寿命が倍になるのです。
つまり、かなり温度に左右されていますって事。
まず、85℃品と105℃品では同じ使用温度なら最初から4倍寿命が違います。
(仕様上の寿命が同じだとして)
使用温度とは・・・単にそのコンデンサが使われている場所の気温ではありません。
コンデンサの動作は電荷を充放電する事なので、その充放電動作の度に電流が流れます。
電流が流れると必ずジュール熱が発生して、温度上昇につながります。
つまり、アルミ電解コンデンサはその仕事量が多いほど自己発熱して温度が上がり寿命が短くなります。
酷使すれば早く劣化する・・・・当然ですね。
とはいえ、回路上にあるアルミ電コンが全て同じように劣化する訳ではないのも事実で、その充放電が多いか少ないか、その電流値が多いか少ないかに左右されます。
エフェクターの場合パッと考えて一番多そうなのは電源系統のコンデンサです。
アダプターから入ってくる電源のリップル(脈流分)を吸収するために常に充放電しています。
またその電流値は回路全部を動作させるに必要な値になります。
が、一概には言えないのです。
例えば電池で使用していた場合、電源コンデンサの充放電は殆ど無いはずです。
というのは電池ですから完全な直流でリップル(脈流分)が無いからです。
またアダプターの性能が良くリップルが少なければ同じように充放電は殆ど必要なくなります。
意外と酷使されているのはカップリングに使われている場合だと思います。
電流値はそんなに多くないのですが、音声信号の波形がそのまま入ってきますので、使っている間は常に充放電しています。
ゲインが高いほど酷使している事になります。
そして、カップリングコンデンサの場合は音に直結します。
なんか、どこへ行くのか分からない話になってしまいましたが・・・・
アルミ電解コンデンサには寿命が有って、状況によっては結構早く劣化します・・・・
怪しいアルミ電解コンデンサはさっさと交換しましょう。・・・
って事でした。
ご参考に・?・・では、また。
アルミ電解コンデンサって電子部品の中では劣化(寿命)が早い物です。
当然メーカーやグレードの違いによって変わってきますが、全般的に言える事が有ります。
実は使用温度が10℃下がると寿命が倍になるのです。
つまり、かなり温度に左右されていますって事。
まず、85℃品と105℃品では同じ使用温度なら最初から4倍寿命が違います。
(仕様上の寿命が同じだとして)
使用温度とは・・・単にそのコンデンサが使われている場所の気温ではありません。
コンデンサの動作は電荷を充放電する事なので、その充放電動作の度に電流が流れます。
電流が流れると必ずジュール熱が発生して、温度上昇につながります。
つまり、アルミ電解コンデンサはその仕事量が多いほど自己発熱して温度が上がり寿命が短くなります。
酷使すれば早く劣化する・・・・当然ですね。
とはいえ、回路上にあるアルミ電コンが全て同じように劣化する訳ではないのも事実で、その充放電が多いか少ないか、その電流値が多いか少ないかに左右されます。
エフェクターの場合パッと考えて一番多そうなのは電源系統のコンデンサです。
アダプターから入ってくる電源のリップル(脈流分)を吸収するために常に充放電しています。
またその電流値は回路全部を動作させるに必要な値になります。
が、一概には言えないのです。
例えば電池で使用していた場合、電源コンデンサの充放電は殆ど無いはずです。
というのは電池ですから完全な直流でリップル(脈流分)が無いからです。
またアダプターの性能が良くリップルが少なければ同じように充放電は殆ど必要なくなります。
意外と酷使されているのはカップリングに使われている場合だと思います。
電流値はそんなに多くないのですが、音声信号の波形がそのまま入ってきますので、使っている間は常に充放電しています。
ゲインが高いほど酷使している事になります。
そして、カップリングコンデンサの場合は音に直結します。
なんか、どこへ行くのか分からない話になってしまいましたが・・・・
アルミ電解コンデンサには寿命が有って、状況によっては結構早く劣化します・・・・
怪しいアルミ電解コンデンサはさっさと交換しましょう。・・・
って事でした。
ご参考に・?・・では、また。
2018年5月23日水曜日
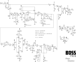
BOSS MD-2 についてIC変更の話し
BOSS MD-2 について IC変更
先日、結構好きです、と書いたMD-2ですが、もう一台手に入れました。
音出しして・・・またまた・・・あれ〜?
前から持っていた物より明らかに音が・・・・しょぼい。
芯が無い、勢いがない、パワーがない。
しかもGAINとDISTをフルまで回すと、発振しちゃいます。
一応調べたら、2008年製。
前から持っていた物は、2003年製。
・・・・5年新しい。
開けてみたら・・これもIC変更されてました。
M5218AL から(2003年製)
NJM4558LD に(2008年製)
たぶん元々の設計は、M5218AL。
確かに2つとも同系統のオペアンプで仕様上もたいてい置き換え可能です。(細かい性能は違う)
が、・・・・・
ところで、MD-2はディストーションではありますが、歪みを作っているのがダイオードクリップではない。
回路図↓
2段階で歪みを作ってます。
1段目、IC2の増幅率を上げることでオペアンプ自体をオーバードライブさせて歪ませてます。
(歪むとこまで増幅させるなんてオーディオ的には大失敗な回路)
2段目は,Q6とQ17のトランジスタ。
普通にトランジスタ増幅回路ですが・・・・
ここで注目は動作電圧、IC2は9Vで動作してます。
IC2は電源電圧いっぱいの振れ幅まで信号を増幅しきってます。
一方Q6とQ17の動作電源は5.4V。なのでQ6とQ17は、9V近い振れ幅の信号を入力されてもそこまで電圧が振れないのでで5V弱でクリップしてしまいます。(電圧差を利用したトランジスタクリップ)
(この説明は細かい回路定数設定を無視した原理的なものですので・・・)
で、IC2が変更になると・・・1段目歪みに音色的な変化が出るのは当然考えられます。
また、その変化が2段目に影響するでしょうし・・・
・・・・・当然音変わりますよね。・・・
例えばRATのICはLM308Nの方が良いというのと同じです。
で、2008年製の物のIC2をM5218Lに変えてみました。
これは、BOSSのジャンク品のグライコ(1988年製)から外したものです。
すると・・・・・
やっぱり大変身!!!
前から持っていた物と大差ないどころか、低域はこちらの方が若干豊かに・・・(個体差と言える範囲ですが)
発振もしなくなりました。
皆さんMD-2は古めの中古品を狙いましょう。・・・たぶん。
ご参考に・・・では、また。
先日、結構好きです、と書いたMD-2ですが、もう一台手に入れました。
音出しして・・・またまた・・・あれ〜?
前から持っていた物より明らかに音が・・・・しょぼい。
芯が無い、勢いがない、パワーがない。
しかもGAINとDISTをフルまで回すと、発振しちゃいます。
一応調べたら、2008年製。
前から持っていた物は、2003年製。
・・・・5年新しい。
開けてみたら・・これもIC変更されてました。
M5218AL から(2003年製)
NJM4558LD に(2008年製)
たぶん元々の設計は、M5218AL。
確かに2つとも同系統のオペアンプで仕様上もたいてい置き換え可能です。(細かい性能は違う)
が、・・・・・
ところで、MD-2はディストーションではありますが、歪みを作っているのがダイオードクリップではない。
回路図↓
2段階で歪みを作ってます。
1段目、IC2の増幅率を上げることでオペアンプ自体をオーバードライブさせて歪ませてます。
(歪むとこまで増幅させるなんてオーディオ的には大失敗な回路)
2段目は,Q6とQ17のトランジスタ。
普通にトランジスタ増幅回路ですが・・・・
ここで注目は動作電圧、IC2は9Vで動作してます。
IC2は電源電圧いっぱいの振れ幅まで信号を増幅しきってます。
一方Q6とQ17の動作電源は5.4V。なのでQ6とQ17は、9V近い振れ幅の信号を入力されてもそこまで電圧が振れないのでで5V弱でクリップしてしまいます。(電圧差を利用したトランジスタクリップ)
(この説明は細かい回路定数設定を無視した原理的なものですので・・・)
で、IC2が変更になると・・・1段目歪みに音色的な変化が出るのは当然考えられます。
また、その変化が2段目に影響するでしょうし・・・
・・・・・当然音変わりますよね。・・・
例えばRATのICはLM308Nの方が良いというのと同じです。
で、2008年製の物のIC2をM5218Lに変えてみました。
これは、BOSSのジャンク品のグライコ(1988年製)から外したものです。
すると・・・・・
やっぱり大変身!!!
前から持っていた物と大差ないどころか、低域はこちらの方が若干豊かに・・・(個体差と言える範囲ですが)
発振もしなくなりました。
皆さんMD-2は古めの中古品を狙いましょう。・・・たぶん。
ご参考に・・・では、また。
2018年5月13日日曜日
BOSS 二連ツマミ ちょっと小ネタ MD-2
BOSS 二連ツマミ ちょっと小ネタ MD-2
BOSSのMD-2、実は結構好きです。
低域〜高域までワイドだし、ハイゲインだし、クランチ〜激歪みまで・・・守備範囲広い。
改造ネタにしないのも、たいして不満がないからです。
バイパスの音痩せもましな方です、強いて言えばバイパスラインのコンデンサを変えるくらいですかね〜。
1つ有りました!!。
二連ツマミ・・・・回しにくいです。MD-2に限った事では無いのですが・・・
で・・・・小ネタ。
二連ツマミの下のパーツ↓
これを上下逆さまにはめると・・・随分回しやすくなります。
ご参考に・・・では、また。
BOSSのMD-2、実は結構好きです。
低域〜高域までワイドだし、ハイゲインだし、クランチ〜激歪みまで・・・守備範囲広い。
改造ネタにしないのも、たいして不満がないからです。
バイパスの音痩せもましな方です、強いて言えばバイパスラインのコンデンサを変えるくらいですかね〜。
1つ有りました!!。
二連ツマミ・・・・回しにくいです。MD-2に限った事では無いのですが・・・
で・・・・小ネタ。
二連ツマミの下のパーツ↓
これを上下逆さまにはめると・・・随分回しやすくなります。
ご参考に・・・では、また。
2018年5月11日金曜日
BOSS DS-2 の話しダイオードその2 MOD
BOSS DS-2 の話しダイオードその2
前回のDS-2の話しの後少し調べたら、2009年製の物に付いてたダイオードもショットキーバリアダイオードでした。
品番は、SD103(E) データシートはSD103で調べれば出てきます。
ところで、一般的にゲルマニュウムダイオードは無線機の検波用として使われています。
よく耳にするのはゲルマニウムラジオ。
電池いらずのイヤホンラジオです。工作キットなんかがよくあります。
受信した弱い電波を増幅無しで検波するためにはダイオードのVf順方向電圧が低くなければ出来ないのでシリコンダイオードでは難しいのです。(理想は順方向電圧が0V)
ゲルマニュウムダイオードは実用的には0.3~0.4V程度だったと思います。(シリコンは0.7V程度)
(たいていのデータシートはMAXしか書いてないのでこの数字は出てきません)
ショットキーバリアダイオードは0.2~0.3V程度だったはずで、ですから検波用としては、ゲルマニュウムダイオードの代用を果たしてくれます。
しかし、エフェクターのクリッピング用途としては、代用にはならないと思いました。
検波とクリッピングではダイオードが果たす役割が正反対です。
検波では、順方向電圧より大きい分を通して信号を取り出す。
クリッピングでは順方向電圧より大きい分をカットして信号波形を変形させる。
まず、順方向電圧が違えば音声波形の振れ幅(音量レベル)が違ってしまいます。(カットする分量が違う)
ゲルマニュウムダイオードで0.4V×2で0.8V有った振れ幅が、ショットキーバリアダイオードでは0.3×2で0.6Vになり、レベルが下がってしまいます。
またショットキーバリアダイオードは反応速度は早いので、波形の切れ方も鋭いはずです。(オシロを持ってませんので推測ですが)
波形が変われば直接音質に影響します。
検波用として広く代用品と認められているからといって、エフェクターのクリッピング用途で代用品として使うのは全く違うと思います。
あくまでも別物として扱うべきですね。
ということで、先回登場したショットキーバリアダイオードが付いてるDS-2をゲルマニュウムダイオードにMODしてみました。
同じダイオードは手に入りそうにないので、エフェクター用ではスタンダードな1N34Aにしました。
まず、1994年製
音だし比較すると、1990年製のオリジナルと殆ど変わらない感じになりました。(若干の個体差程度は有りますが)
そして、2009年製
あれ?、雰囲気は似ているのですが・・・同じツマミ位置ではゲインが小さい・・・が、全部フルにするとたいして差は無くなります。???
色々探ってみると・・・・DISTポットのカーブが違うだけでした。(な〜んだ、びっくりさせやがって。)
250KDカーブなのが、2009年製の分だけAカーブに変更されてます。
BOSSさんここでも入手しやすいAカーブに黙って変更ですか。
ゲルマニュウムダイオードもそうですが、「コストダウン」ですね。
まあ、とにかくDS-2は、ショットキーバリアダイオードをゲルマニュウムダイオードに戻せば、しっかりした良い音に変身します。
ご参考に・・・では、また。
前回のDS-2の話しの後少し調べたら、2009年製の物に付いてたダイオードもショットキーバリアダイオードでした。
品番は、SD103(E) データシートはSD103で調べれば出てきます。
ところで、一般的にゲルマニュウムダイオードは無線機の検波用として使われています。
よく耳にするのはゲルマニウムラジオ。
電池いらずのイヤホンラジオです。工作キットなんかがよくあります。
受信した弱い電波を増幅無しで検波するためにはダイオードのVf順方向電圧が低くなければ出来ないのでシリコンダイオードでは難しいのです。(理想は順方向電圧が0V)
ゲルマニュウムダイオードは実用的には0.3~0.4V程度だったと思います。(シリコンは0.7V程度)
(たいていのデータシートはMAXしか書いてないのでこの数字は出てきません)
ショットキーバリアダイオードは0.2~0.3V程度だったはずで、ですから検波用としては、ゲルマニュウムダイオードの代用を果たしてくれます。
しかし、エフェクターのクリッピング用途としては、代用にはならないと思いました。
検波とクリッピングではダイオードが果たす役割が正反対です。
検波では、順方向電圧より大きい分を通して信号を取り出す。
クリッピングでは順方向電圧より大きい分をカットして信号波形を変形させる。
まず、順方向電圧が違えば音声波形の振れ幅(音量レベル)が違ってしまいます。(カットする分量が違う)
ゲルマニュウムダイオードで0.4V×2で0.8V有った振れ幅が、ショットキーバリアダイオードでは0.3×2で0.6Vになり、レベルが下がってしまいます。
またショットキーバリアダイオードは反応速度は早いので、波形の切れ方も鋭いはずです。(オシロを持ってませんので推測ですが)
波形が変われば直接音質に影響します。
検波用として広く代用品と認められているからといって、エフェクターのクリッピング用途で代用品として使うのは全く違うと思います。
あくまでも別物として扱うべきですね。
ということで、先回登場したショットキーバリアダイオードが付いてるDS-2をゲルマニュウムダイオードにMODしてみました。
同じダイオードは手に入りそうにないので、エフェクター用ではスタンダードな1N34Aにしました。
まず、1994年製
音だし比較すると、1990年製のオリジナルと殆ど変わらない感じになりました。(若干の個体差程度は有りますが)
そして、2009年製
あれ?、雰囲気は似ているのですが・・・同じツマミ位置ではゲインが小さい・・・が、全部フルにするとたいして差は無くなります。???
色々探ってみると・・・・DISTポットのカーブが違うだけでした。(な〜んだ、びっくりさせやがって。)
250KDカーブなのが、2009年製の分だけAカーブに変更されてます。
BOSSさんここでも入手しやすいAカーブに黙って変更ですか。
ゲルマニュウムダイオードもそうですが、「コストダウン」ですね。
まあ、とにかくDS-2は、ショットキーバリアダイオードをゲルマニュウムダイオードに戻せば、しっかりした良い音に変身します。
ご参考に・・・では、また。
2018年5月5日土曜日
MXR distortion II を作ってみた。
MXR distortion II を作ってみた。
MXR distortion ii 一部熱狂的なファンが居られるようで少し前から気になってはいたのです。
廃番で後継機種も出てないようです。
レビューを見てみるとなんだか独特な物のようでますます気になって・・・
まず、回路図は、ちゃんとしたMXRの物らしいのが見つかりました。
レイアウトを探してみると、2点見つけたのですが・・・ちょっと使う気になれません、と言うのは・・・・まずVsバイアス電位のボルテージフォロアを省略しているのでこれではバイアス電位が安定しないように思いますし、アウトプットバッファも省略してます。
また、ICですがMXRは4558を1個072を3個で設計してますが、074と072でレイアウトしてました。
MXRは1つだけ4558をセレクトしているのです。これを無視するのは嫌ですね。
このdistortion II は15Vで駆動させていてこの辺りもちゃんと作ってみようと思います。
ただ実機はトランスを内蔵して117V電源での使用が前提のようですので、そこは無理せず、18V電源仕様にしました。
9V電池2個又はDC18Vアダプターでの使用です。
また、今回はスルーバイパスではなく、15Vのバッファを通したバイパスにしてみました。
配線を少し変えるだけでスルーバイパスにも出来ます。
まず、回路図の変更点(朱書き)
レイアウトはいつものストリップボード用に書き始めたら凄く大きくなってしまいそうだったので諦めました。
で、実機のレイアウトを参考にして、ユニバーサル基板用に書きました。
部品図
真ん中辺りに()を付けてる1μ電コンは回路図にはありません、これはICへの電源経路がちょっと長いので電源安定の為のバックアップコンデンサです。無くても大丈夫ですが、私のこだわりです。
めんどくさがりやの私は今回、基板配線に0.35mmのポリウレタン銅線を使ってみました。
これはポリウレタンの被服で絶縁してあるもので、コイルに使ったりする事が多い物です。
絶縁してるので画像のように基板を縫うように這わせても大丈夫で、しかもハンダ付けすると熱で被服が溶けてくれるのでちゃんとつながるのです。
少しだけ余分に熱を加える必要はありますが・・・
部品が付いたところ基板完成
組み込み
出来た。・・間違えないように・・・DC18V・・・
感想・・・・皆さんのレビューが理解出来ます。
回路も特徴的ですが、RESONANCE の変化が不思議で心地よい。
確かに、他には無い味があります。
これが今の製品ラインナップに無いのは残念だと思います。
皆さん作りましょう!!!
ご参考に・・・では、また。
MXR distortion ii 一部熱狂的なファンが居られるようで少し前から気になってはいたのです。
廃番で後継機種も出てないようです。
レビューを見てみるとなんだか独特な物のようでますます気になって・・・
まず、回路図は、ちゃんとしたMXRの物らしいのが見つかりました。
レイアウトを探してみると、2点見つけたのですが・・・ちょっと使う気になれません、と言うのは・・・・まずVsバイアス電位のボルテージフォロアを省略しているのでこれではバイアス電位が安定しないように思いますし、アウトプットバッファも省略してます。
また、ICですがMXRは4558を1個072を3個で設計してますが、074と072でレイアウトしてました。
MXRは1つだけ4558をセレクトしているのです。これを無視するのは嫌ですね。
このdistortion II は15Vで駆動させていてこの辺りもちゃんと作ってみようと思います。
ただ実機はトランスを内蔵して117V電源での使用が前提のようですので、そこは無理せず、18V電源仕様にしました。
9V電池2個又はDC18Vアダプターでの使用です。
また、今回はスルーバイパスではなく、15Vのバッファを通したバイパスにしてみました。
配線を少し変えるだけでスルーバイパスにも出来ます。
まず、回路図の変更点(朱書き)
レイアウトはいつものストリップボード用に書き始めたら凄く大きくなってしまいそうだったので諦めました。
で、実機のレイアウトを参考にして、ユニバーサル基板用に書きました。
部品図
真ん中辺りに()を付けてる1μ電コンは回路図にはありません、これはICへの電源経路がちょっと長いので電源安定の為のバックアップコンデンサです。無くても大丈夫ですが、私のこだわりです。
めんどくさがりやの私は今回、基板配線に0.35mmのポリウレタン銅線を使ってみました。
これはポリウレタンの被服で絶縁してあるもので、コイルに使ったりする事が多い物です。
絶縁してるので画像のように基板を縫うように這わせても大丈夫で、しかもハンダ付けすると熱で被服が溶けてくれるのでちゃんとつながるのです。
少しだけ余分に熱を加える必要はありますが・・・
部品が付いたところ基板完成
組み込み
4558ICは、実機ではRC4558ですが、手元に無いので今回はビンテージ物を使ってみました。
NEC日本製 C4558C、BOSS OD-1やSD-1の初期でJRC艶有りよりも定評のあるICです。
出来た。・・間違えないように・・・DC18V・・・
感想・・・・皆さんのレビューが理解出来ます。
回路も特徴的ですが、RESONANCE の変化が不思議で心地よい。
確かに、他には無い味があります。
これが今の製品ラインナップに無いのは残念だと思います。
皆さん作りましょう!!!
ご参考に・・・では、また。
2018年5月4日金曜日
BOSS DS-2の話し(ダイオード)
BOSS DS-2の話し(ダイオード)
DS-2って正直そんなに評価されてるのが不思議に思っていました。
カートコバーンが使っていたから・・とか。
フリマやオークションで、日本製のDS-2がやたら高価で取引されていて・・・なぜ?と思っていたのです。
そんなに違うのかな〜DS-1は、IC変更されてて回路的にも違うのですが、DS-2はそんな変更はないみたいだし・・・と思っていたら・・・・ところがどっこい・・肝心な所が(勝手に?)変更されていました。
みんな知ってたんですね・・・気が付かなかった!
DS-2は前にかなり大幅な改造MODをしましたが・・その時に見落としてました。
先日、台湾製なのですが、程度の良いDS-2を手に入れまして、音だししてみると・・・
あれ〜DS-2ってこんなに良かったっけ??・・・
ゲインも稼げるし、芯がしっかりしてて存在感があり前に出る音になってる。
開けてみると、ゲルマニュウムダイオードが付いてました。
・・・・えっ、ゲルマなんて付いてたっけ???・・・・
回路図を確認すると、D14と15が1SS-188FMとなってます。
データシートが見つけられなかったのですが、やっぱりゲルマニュウムダイオードのようです。
前回MODした時の基盤にはちょっと他と違うダイオードが付いていたので、おかしいとは思わなかったのです。(もちろんゲルマニュウムダイオードではない)
今回手に入れたDS-2は、1990年製。ちょうど日本製から台湾製への移行期、台湾製の初期だと思います。
電解コンデンサも、jamiconと松下製が混在してます。(まさしく移行期)
他に持っているもので、1994年製のものはこのダイオードが違う物になっていて、推測ですが、ゲルマから置き換えるとすればショットキーバリアダイオードではないかと思います。
前にMODした1997年製これも変わってます、ショットキーバリアダイオード?
そして、2009年製の物、定かではありませんが、見た目いかにもシリコンダイオードじゃないのか???と思える物が付いてました。
そりゃ音が変わりますわ。
ゲルマニュウムダイオードの個体が音が良いので高値取引されているって事ですね。
ご参考に・・・では、また。
DS-2って正直そんなに評価されてるのが不思議に思っていました。
カートコバーンが使っていたから・・とか。
フリマやオークションで、日本製のDS-2がやたら高価で取引されていて・・・なぜ?と思っていたのです。
そんなに違うのかな〜DS-1は、IC変更されてて回路的にも違うのですが、DS-2はそんな変更はないみたいだし・・・と思っていたら・・・・ところがどっこい・・肝心な所が(勝手に?)変更されていました。
みんな知ってたんですね・・・気が付かなかった!
DS-2は前にかなり大幅な改造MODをしましたが・・その時に見落としてました。
先日、台湾製なのですが、程度の良いDS-2を手に入れまして、音だししてみると・・・
あれ〜DS-2ってこんなに良かったっけ??・・・
ゲインも稼げるし、芯がしっかりしてて存在感があり前に出る音になってる。
開けてみると、ゲルマニュウムダイオードが付いてました。
・・・・えっ、ゲルマなんて付いてたっけ???・・・・
回路図を確認すると、D14と15が1SS-188FMとなってます。
データシートが見つけられなかったのですが、やっぱりゲルマニュウムダイオードのようです。
前回MODした時の基盤にはちょっと他と違うダイオードが付いていたので、おかしいとは思わなかったのです。(もちろんゲルマニュウムダイオードではない)
今回手に入れたDS-2は、1990年製。ちょうど日本製から台湾製への移行期、台湾製の初期だと思います。
電解コンデンサも、jamiconと松下製が混在してます。(まさしく移行期)
他に持っているもので、1994年製のものはこのダイオードが違う物になっていて、推測ですが、ゲルマから置き換えるとすればショットキーバリアダイオードではないかと思います。
前にMODした1997年製これも変わってます、ショットキーバリアダイオード?
そして、2009年製の物、定かではありませんが、見た目いかにもシリコンダイオードじゃないのか???と思える物が付いてました。
そりゃ音が変わりますわ。
ゲルマニュウムダイオードの個体が音が良いので高値取引されているって事ですね。
ご参考に・・・では、また。
2018年4月17日火曜日
MXR ZW-44 を作ろうとしたら・・ついでにGT-ODも作れた。
MXR ZW-44 を作ろうとしたら・・ついでにGT-ODも作れた。
Zakk Wylde Berzerker Overdrive
SD-1のコピーとも言われてますが・・・・
回路図はこちら↓
一見すると確かにSD-1のアウトバッファ省略形に見えます。
が、2つおおきな違いが・・
入力バッファがダーリントントランジスタです。
バッファに?・・と疑問符が付いてしまうのですが・・・
推測・・・電流増幅率をとにかく稼げるので、入力側の負荷が少ない・・入力インピーダンスを大きく出来る・・この回路だと大雑把に考えて2.2Mかな・・・SD-1は500K位です。
パッシブのギターを直つなぎした時、ギター側のコントロールの利きが良くなる可能性が有ります。
当然相性問題ですが・・・
オペアンプICが見慣れない物になってます。
MC33178P・・・データシートを調べてみると特徴としては、600Ω負荷をドライブ出来るとの事・・・出力インピーダンスが小さい・・つまり高出力が可能。
そして低歪み、ローノイズのオーディオ用との事。
おそらくコスト的に高いでしょうが、ダンロップ(MXR)がわざわざセレクトしているのです。
そんな事で作ってみました。
MPSA14ダーリントントランジスタを見つけられなかったので、今回は音質的にも定評のあるMPSA18を2つダーリントン接続して代用しました。
レイアウトはこちら↓
http://tagboardeffects.blogspot.jp/2012/08/mxr-gt-od.html
これによるとGT-ODは抵抗が1つ追加されているだけです。
いろいろ調べてみたら、GT-OD基板にある噂の内部スイッチがこれのようで、本物のGT-ODとZW-44は基板共通ですね。
で、このまま作って、GT-ODも一緒に出来てしまいました。
クリッピング切替はおまけ・・・。
出音は、低域よりの太めです。
SD-1より随分高域を押さえて、おとなしい印象ですが、使いやすい所に収まってる感じですね。
ブースターとしてしっかり仕事をしてくれそうに思います。
(インピーダンスが効いてくる。)
ご参考に、では・・・また。
Zakk Wylde Berzerker Overdrive
SD-1のコピーとも言われてますが・・・・
回路図はこちら↓
一見すると確かにSD-1のアウトバッファ省略形に見えます。
が、2つおおきな違いが・・
入力バッファがダーリントントランジスタです。
バッファに?・・と疑問符が付いてしまうのですが・・・
推測・・・電流増幅率をとにかく稼げるので、入力側の負荷が少ない・・入力インピーダンスを大きく出来る・・この回路だと大雑把に考えて2.2Mかな・・・SD-1は500K位です。
パッシブのギターを直つなぎした時、ギター側のコントロールの利きが良くなる可能性が有ります。
当然相性問題ですが・・・
オペアンプICが見慣れない物になってます。
MC33178P・・・データシートを調べてみると特徴としては、600Ω負荷をドライブ出来るとの事・・・出力インピーダンスが小さい・・つまり高出力が可能。
そして低歪み、ローノイズのオーディオ用との事。
おそらくコスト的に高いでしょうが、ダンロップ(MXR)がわざわざセレクトしているのです。
そんな事で作ってみました。
MPSA14ダーリントントランジスタを見つけられなかったので、今回は音質的にも定評のあるMPSA18を2つダーリントン接続して代用しました。
レイアウトはこちら↓
http://tagboardeffects.blogspot.jp/2012/08/mxr-gt-od.html
これによるとGT-ODは抵抗が1つ追加されているだけです。
いろいろ調べてみたら、GT-OD基板にある噂の内部スイッチがこれのようで、本物のGT-ODとZW-44は基板共通ですね。
で、このまま作って、GT-ODも一緒に出来てしまいました。
クリッピング切替はおまけ・・・。
出音は、低域よりの太めです。
SD-1より随分高域を押さえて、おとなしい印象ですが、使いやすい所に収まってる感じですね。
ブースターとしてしっかり仕事をしてくれそうに思います。
(インピーダンスが効いてくる。)
ご参考に、では・・・また。
2018年4月12日木曜日
電池で使えるのに、電源アダプターはAC-AC交流タイプ?
電池で使えるのに、電源アダプターはAC-AC交流タイプ?
デジテックのマルチエフェクターRP100やって来ました。
これ、今となっては古いマルチですが、あの「Whammy」が入ってます。
しかも15モードも色々と・・・ペダルか無いのに・・・・???
なんと一般的なボリュームペダルのアウトプット側だけをこのRP100のコントロールジャックににつなぐとそれで「わ〜み〜」が使えます。・・・びっくり!
中身はこんなの↓
電池ボックスが基板に直付け!
筐体はプラかな?・・・実はアルミダイキャスト
「わ〜み〜」は置いといて、これ電源は単三電池6本つまりDC9Vなのですが、別売アダプターはAC9V出力なのです。
何故に交流?電池は直流なのに、普通のエフェクター用アダプター(DC9V)で良いんじゃないの?
本当にアダプターの場合はACが必要なのか?・・そんな事は無いでしょ?
で、ばらして電源部分の回路を確かめてみました。
結論から言うとDC9Vアダプターでも一応使えます。
ただし内部回路の都合でセンタープラスでないとダメです。(エフェクター用とは極性が逆)
また、電源ジャックの寸法も違うので変換プラグなども必要です。
(エフェクター用は2.1mm、これは2.5mm。)
出来ればDC12Vアダプターが良いと思います。
電流容量は500mA位あれば大丈夫みたいです。
(自己責任でお願いします。)
結局、中で交流9Vを半波整流して直流9Vにしてから回路に送ってます。
ですから電池の場合は整流回路の後に繋いである形です。
細かい事はバサッと省略した回路図です。
9V、5V、3.5Vをレギュレーターで作ってます。
図のダイオードのすぐ後ろが+11V出てますので、AC9Vの代わりにダイオード側を+にして12Vの直流を繋いでやるとほぼ同じ値になります。
整流回路をバイパスして電源ジャックに直結しても良いでしょうが・・・改造です。
勘違いしてほしくないのは、交流入力の全ての物がこのようになっている訳ではありません。
交流入力にする理由がちゃんとある物が殆どだと考えるべきです。
BOSSのハーフラックPROシリーズは、AC12Vを内部回路で±15V電源作ってます。
電池でも使える物でも、整流回路によってはダメな場合もあり得ますし・・・
(自己責任で)ご参考に・・・では、また。
デジテックのマルチエフェクターRP100やって来ました。
しかも15モードも色々と・・・ペダルか無いのに・・・・???
なんと一般的なボリュームペダルのアウトプット側だけをこのRP100のコントロールジャックににつなぐとそれで「わ〜み〜」が使えます。・・・びっくり!
中身はこんなの↓
電池ボックスが基板に直付け!
筐体はプラかな?・・・実はアルミダイキャスト
「わ〜み〜」は置いといて、これ電源は単三電池6本つまりDC9Vなのですが、別売アダプターはAC9V出力なのです。
何故に交流?電池は直流なのに、普通のエフェクター用アダプター(DC9V)で良いんじゃないの?
本当にアダプターの場合はACが必要なのか?・・そんな事は無いでしょ?
で、ばらして電源部分の回路を確かめてみました。
結論から言うとDC9Vアダプターでも一応使えます。
ただし内部回路の都合でセンタープラスでないとダメです。(エフェクター用とは極性が逆)
また、電源ジャックの寸法も違うので変換プラグなども必要です。
(エフェクター用は2.1mm、これは2.5mm。)
出来ればDC12Vアダプターが良いと思います。
電流容量は500mA位あれば大丈夫みたいです。
(自己責任でお願いします。)
結局、中で交流9Vを半波整流して直流9Vにしてから回路に送ってます。
ですから電池の場合は整流回路の後に繋いである形です。
細かい事はバサッと省略した回路図です。
9V、5V、3.5Vをレギュレーターで作ってます。
図のダイオードのすぐ後ろが+11V出てますので、AC9Vの代わりにダイオード側を+にして12Vの直流を繋いでやるとほぼ同じ値になります。
整流回路をバイパスして電源ジャックに直結しても良いでしょうが・・・改造です。
勘違いしてほしくないのは、交流入力の全ての物がこのようになっている訳ではありません。
交流入力にする理由がちゃんとある物が殆どだと考えるべきです。
BOSSのハーフラックPROシリーズは、AC12Vを内部回路で±15V電源作ってます。
電池でも使える物でも、整流回路によってはダメな場合もあり得ますし・・・
(自己責任で)ご参考に・・・では、また。
登録:
コメント (Atom)

















































